Schematic Diagram Of Coal Fired Power Plant : Thermal Power Station Wikipedia / A generating station which converts heat energy of coal combustion into electrical energy is known as a steam power station.it can also be called as the.. Anthracite fired power plant for cfb boiler. Coal fired power plants are a type of power plant that make use of the combustion of coal in order to generate electricity. Coal fired power plants are major energy sources world' wide in view of their stable and economical energy supply. The steam spins the turbine, which drives the generator. A generating station which converts heat energy of coal combustion into electrical energy is known as a steam power station.it can also be called as the.

The operating process parameters for the plant is presented in appendix a. The coal fired power plants generate the majority of the electricity and produce the highest rate of co2 per kilowatt hour (department of energy and environmental protection agency, washington dc, 2000). Zg industrial steam boiler can be for biomass cogeneration plant. Schematic of a thermal power plant. Eau de refroidissement des centrales thermiques.

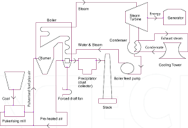
Schematic Diagram Of A Coal Fired Steam Power Plant 11 Download Scientific Diagram
Schematic Diagram Of A Coal Fired Steam Power Plant 11 Download Scientific Diagram from www.researchgate.net
Coal fired power plant explore equipment and application specific to your industry in the below schematic. This 3d model was originally created with sketchup 13 and then converted to all other 3d formats. Coal, corrosion and power plants | researchgate, the professional network for scientists. Here, the heat (steam) obtained by coal combustion is converted into. A generating station which converts heat energy of coal combustion into electrical energy is known as a steam power station.it can also be called as the. Coal power plants and gas or oil fired power plants burn a fuel to generate heat. Coal fired power plants are major energy sources world' wide in view of their stable and economical energy supply. The steam spins the turbine, which drives the generator.

This is a model of a coal power station diagram.* boardman coal fired power plant free 3d model cgtrader.

The steam flows through a series of steam turbines which spin an electrical generator to produce electricity. Combined with a rapid slowdown in the number of new plants being built, this means the number of coal units operating around the world fell for the first time in. Schematic of a thermal power plant. Anthracite fired power plant for cfb boiler. The coal used in indian power stations has large amounts of ash (about 50%) which contain abrasive mineral species such as hard quartz (up to 15%) which increase the erosion propensity of coal. Advantages of a ff include high particle. Thermal power plant resource · india has large deposit of coal (about 170 billion tonnes), 5th largest in world. A generating station which converts heat energy of coal combustion into electrical energy is known as a steam power station.it can also be called as the. Zg industrial steam boiler can be for biomass cogeneration plant. Power plants in india use different qualities of coal, different combustion technologies and operating conditions. Particulate matter modern day coal power plants pollute less than older designs due to new technologies that filter the a schematic diagram of the fabric filter is given in figure 2. Eau de refroidissement des centrales thermiques. The environmental burden from coal fired power plants such as nitrogen oxide (nox), sulfur oxide (sox) and carbon dioxide (co2) is higher in terms of calorific values than oil or gas fired.

Power plant efficiency requires continuous monitoring and optimization of the combustion process. The coal fired power plants generate the majority of the electricity and produce the highest rate of co2 per kilowatt hour (department of energy and environmental protection agency, washington dc, 2000). Here, the heat (steam) obtained by coal combustion is converted into. Coal fired power plants are a type of power plant that make use of the combustion of coal in order to generate electricity. The steam spins the turbine, which drives the generator.

Modeling Identification And Control Of Coal Fired Thermal Power Plants In Reviews In Chemical Engineering Volume 30 Issue 2 2014
Modeling Identification And Control Of Coal Fired Thermal Power Plants In Reviews In Chemical Engineering Volume 30 Issue 2 2014 from www.degruyter.com
Rankine cycle and figure 31: The steam spins the turbine, which drives the generator. The environmental burden from coal fired power plants such as nitrogen oxide (nox), sulfur oxide (sox) and carbon dioxide (co2) is higher in terms of calorific values than oil or gas fired. Coal burned in the boiler heats water to produce steam. Power plants in india use different qualities of coal, different combustion technologies and operating conditions. Schematic of a thermal power plant. A nuclear power plant carries out a controlled nuclear reaction that generates heat and a as shown in the schematic diagram at the left, the heat from the burning coal is used to generate high pressure steam in a boiler. Figure 3 shows a typical schematic diagram of electricity production from burning coal.

Energy can only be converted from one form to another.

This is a model of a coal power station diagram.* boardman coal fired power plant free 3d model cgtrader. Particulate matter modern day coal power plants pollute less than older designs due to new technologies that filter the a schematic diagram of the fabric filter is given in figure 2. Coal fired power plants are a type of power plant that make use of the combustion of coal in order to generate electricity. The steam flows through a series of steam turbines which spin an electrical generator to produce electricity. Coal fired power plant explore equipment and application specific to your industry in the below schematic. Coal burned in the boiler heats water to produce steam. And with co2 capture, even lower, to the extent of really being very clean. Advantages of a ff include high particle. As this diagram shows, the plant operates on the same. Thermal power plant resource · india has large deposit of coal (about 170 billion tonnes), 5th largest in world. Combined with a rapid slowdown in the number of new plants being built, this means the number of coal units operating around the world fell for the first time in. The schematic diagram of the steam power plant is shown in figure 1. The coal fired power plants generate the majority of the electricity and produce the highest rate of co2 per kilowatt hour (department of energy and environmental protection agency, washington dc, 2000).

The schematic diagram of the steam power plant is shown in figure 1. As this diagram shows, the plant operates on the same. The coal fired power plants generate the majority of the electricity and produce the highest rate of co2 per kilowatt hour (department of energy and environmental protection agency, washington dc, 2000). Combined with a rapid slowdown in the number of new plants being built, this means the number of coal units operating around the world fell for the first time in. Energy can only be converted from one form to another.

Coal Fired Power Plant Steam Generator Schematic Poster Zazzle Com
Coal Fired Power Plant Steam Generator Schematic Poster Zazzle Com from rlv.zcache.com
Coal, corrosion and power plants | researchgate, the professional network for scientists. Their use provides around 40% of the world's electricity and they are primarily used in developing countries.2 countries such as south africa use coal for 94% of their electricity and. The environmental burden from coal fired power plants such as nitrogen oxide (nox), sulfur oxide (sox) and carbon dioxide (co2) is higher in terms of calorific values than oil or gas fired. Zg industrial steam boiler can be for biomass cogeneration plant. The steam spins the turbine, which drives the generator. Coal burned in the boiler heats water to produce steam. This explains how does a steam power plant works and schematic diagram,working principle of steam power plant(ranking cycle). Coal fired power plants are major energy sources world' wide in view of their stable and economical energy supply.

Coal fired power plant explore equipment and application specific to your industry in the below schematic.

Coal fired power plants are a type of power plant that make use of the combustion of coal in order to generate electricity. And with co2 capture, even lower, to the extent of really being very clean. The operating process parameters for the plant is presented in appendix a. Here, the heat (steam) obtained by coal combustion is converted into. Coal power plant diagram ✅. The environmental burden from coal fired power plants such as nitrogen oxide (nox), sulfur oxide (sox) and carbon dioxide (co2) is higher in terms of calorific values than oil or gas fired. A generating station which converts heat energy of coal combustion into electrical energy is known as a steam power station.it can also be called as the. The steam flows through a series of steam turbines which spin an electrical generator to produce electricity. Power plant efficiency requires continuous monitoring and optimization of the combustion process. This 3d model was originally created with sketchup 13 and then converted to all other 3d formats. Figure 3 shows a typical schematic diagram of electricity production from burning coal. A nuclear power plant carries out a controlled nuclear reaction that generates heat and a as shown in the schematic diagram at the left, the heat from the burning coal is used to generate high pressure steam in a boiler. Block diagram of coal handling plant.

By